Retrofit of a reinforced concrete arch bridge, Czech Republic

Krinec | Czech Republic
This article is also available in:
This study showcases an analysis of an old reinforced concrete road bridge which consists of two concrete arches and suspended concrete bottom deck. It spans over the Mrlina river in Krinec, Czech Republic.

The bridge was built in 1915 -1918 as a pioneer project of professor Stanislav Bechyne, renowned reinforced concrete structures designer.

Arch bridge

inline image in article
inline image in article
inline image in article

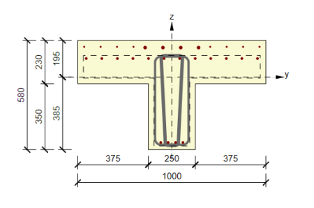
Bridge structure consists of two concrete arches and suspended concrete bottom deck. Arches are integrated (rigidly connected) with abutments, bottom deck is suspended on concrete ties. Bottom chords of arches are formed by outer girders reinforced by steel sheets, which are anchored in abutments. Bridge deck consists of concrete grillage with concrete deck. Bridge was strengthened by a new composite concrete slab and remediation of existing superstructure.

FEA model

3D FEA model was created in SCIA Engineer software. Bridge structure was modelled combining the 1D beam and 2D shell elements. Imported internal forces were obtained by integrating rib forces and forces in adjacent effective slab. Therefore, it was necessary to correct unrealistic values of transverse shear forces and bending moments, and also torsional moments. With regard to the fact that the 3D structural model did not respect the construction stages, unrealistic tensile force appeared in longitudinal beam due to the effects of its self-weight. The authors decided to compensate for this drawback of 3D structural model by applying so-called user-specified internal forces in IDEA StatiCa.

Procedure for bridge load rating analysis

1. Import of the model into IDEA StatiCa BIM

All data are imported automatically from 3D FEA program using XML file. IDEA StatiCa BIM imports the model geometry, cross-sections, materials and beam results from Scia Engineer.

2. Setting the parameters for structural checks in IDEA StatiCa BIM

  • Assignment of members into design groups is done automatically.
inline image in article
  • Exporting the design group with stringers into the BEAM application and then applying the reinforcement.
inline image in article
inline image in article
inline image in article
  • Assign the load cases into bridge load groups
inline image in article
  • Load combinations for bridges
inline image in article
  • Setting and selecting the checks to perform in bridge load rating analysis
inline image in article

3. Results

  • Summary results
inline image in article
  • Detailed result
inline image in article