Deflection check according to EN 1992-1-1

This article is also available in:
inline image in article

Description of benchmark

Reference calculation

Calculation of deflection performed using the IDEA StatiCa BEAM application is compared to reference calculation presented in: Example 6.2, Calculation of deflection, T-beam.

References:

Procházka et al. Training Design of concrete structures according to ČSN EN 1992, Part 1, Reinforced concrete, structural fire design, provisions for concrete bridges, ČBS a ČBS Servis, 2009, p. 105-110.

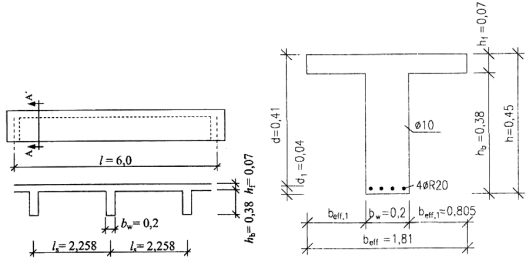
Geometry of beam

Cast in place beam of T-shaped cross-section presented in figure below. Simply supported beam of 6.0 m span is assumed for structural model. Geometry of cross-section and position and type of reinforcement is presented in figure on the right side.

Characteristic values of loads: Dead load: Σgkj = 8.2 kN/m, Long-term live load: qk = 23.5 kN/m.

inline image in article

Reference calculation - main calculation values and results

Quasi-permanent combination:

inline image in article

Mid-span bending moment for quasi-permanent combination:

inline image in article

Concrete strength class: C20/25

Cement class: N, Creep coefficient φ( ∞,to)

φ( ∞,to = 28) = 3.2

fck = 20MPa, fcd = 13.3MPa, fctm = 2.2MPa, Ecm = 30GPa

Reinforcing steel:

10505(R), B500B: fyk = 500MPa, fyd = 435MPa

Cross-sectional characteristics for long-term load actions

Uncracked cross-section

inline image in article
inline image in article

Cracking bending moment:

inline image in article

Flexural compliance:

inline image in article

Cracked cross-section

inline image in article

Flexural compliance:

inline image in article

Distribution coefficient:

inline image in article

Curvature:

inline image in article

Deflection:

inline image in article

Deflection calculation using IDEA StatiCa BEAM

For detailed comparison of calculation results can be used project file, which is attached to this benchmark. The results presented below correspond to Extreme “4” for Section in the middle of beam span. Values presented in reference calculation (previous chapter) are marked by red rectangles.

inline image in article
inline image in article

Calculated deflection value in red rectangle in table below represents the long-term deflection caused by long-term loads including effect of creep (Quasi-permanent combination).

inline image in article

Deflection value in blue rectangle represents total deflection including effect of creep (Characteristic combination).