Historical Norwegian truss bridge retrofit

Møre og Romsdal | Norway | Aas-Jakobsen
Ez a cikk a következő nyelveken is elérhető
Aas-Jakobsen's restoration of the 1933 Nisja truss bridge in Sunndal kommune, Møre og Romsdal in Norway required a masterful blend of heritage conservation and modern structural engineering. The project, spearheaded by Structural Consultant Engineer, Herman Hagen Horvei, was tasked with restoring this historical landmark to meet contemporary structural safety standards. The selection of IDEA StatiCa was a strategic decision, influenced by its precision in connection calculations, the efficiency of its workflows, and its ability to mitigate risks in complex structural assessments.

About the project

Herman Hagen Horvei, a structural consultant engineer at Aas-Jakobsen, led the project of assessing and possibly retrofitting an old truss bridge in central Norway. The historical truss bridge, constructed in 1933, necessitating a detailed structural assessment to meet contemporary engineering standards. Despite limited original drawings and the bridge's age, Aas-Jakobsen embarked on this ambitious project to restore and reinforce the bridge's integrity.

Engineering challenges

The project's main hurdle was the lack of original construction blueprints, a significant obstacle in preserving the bridge's historical integrity. Additionally, accurately modeling the aged joint structures was paramount to ensure the bridge's safety and longevity. Approximately 60% of the workload was dedicated to controlling the joints due to their unique nature and various configurations along the bridge, requiring extensive manual checks and modeling.

inline image in article

IDEA StatiCa's advanced simulation and visualization tools were employed to overcome these challenges. Its BIM integration with STAAD.Pro facilitated seamless collaboration and data sharing among the project team, proving invaluable in bridging the gap between old designs and modern engineering standards.

inline image in article

Solutions and results

While IDEA StatiCa required an initial investment of time for detailed analysis, it ultimately led to more accurate conclusions than simplified calculations, which could have been misleading. The project took several weeks of meticulous drawing and modeling, demonstrating IDEA StatiCa’s efficiency in handling complex tasks.

IDEA StatiCa enabled the team to accurately model complex joint structures, vital for the bridge's safety and functionality.
Herman Hagen Horvei
Herman Hagen Horvei
Structural Consultant Engineer – Aas-Jakobsen
Norway

The software's ability to handle detailed calculations and visualize complex joints proved essential in arriving at accurate conclusions, avoiding the oversimplifications that could have led to incorrect assumptions about the bridge's structural integrity.

Approximately 27 more-or-less unique joints were modeled for the project, with some of them being variations of each other.

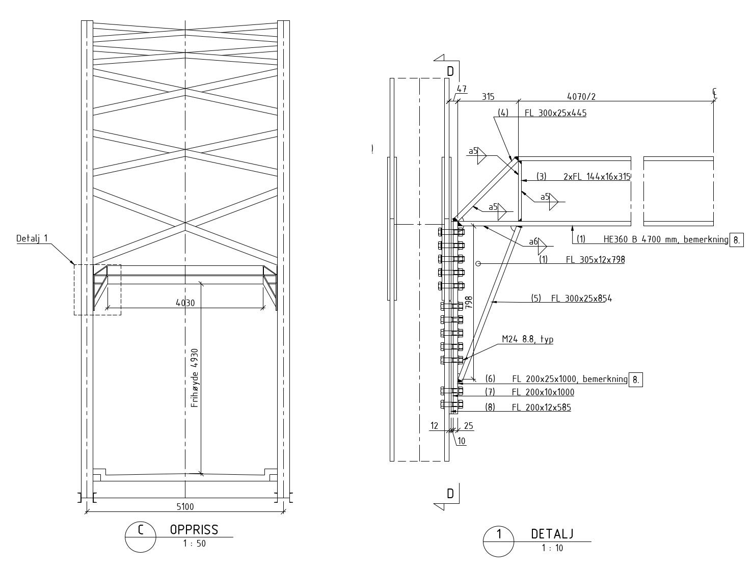
The connection pictured below is the new bracing solution that was proposed for the bridge in order to raise the clearance height. IDEA StatiCa concluded that this solution had the needed capacity to carry the lateral wind loads.

inline image in article

The connection in the next figure is the splice of the bottom chord, which also connects the middle vertical bar to the top chord. This was a rather complex joint and it was not so easy to decipher how the joint was constructed based on the original drawings (see the drawing below the connection). Using IDEA StatiCa as a visualization tool was therefore very helpful in making sure they had the correct interpretation of the drawings.  

inline image in article
inline image in article
We were quite surprised to see that some of the joints were highly utilized, demonstrating that IDEA StatiCa helped us uncover crucial insights.
Herman Hagen Horvei
Herman Hagen Horvei
Structural Consultant Engineer – Aas-Jakobsen
Norway


IDEA StatiCa's analysis revealed unexpectedly high utilization in some joints, contrary to initial assumptions. This finding underscored the importance of thorough joint checks in such projects. The visual tools of IDEA StatiCa were also instrumental in convincing the client of the project's complexity and necessity.

IDEA StatiCa’s precision in analyzing complex joint structures was a game-changer for us.
Herman Hagen Horvei
Herman Hagen Horvei
Structural Consultant Engineer – Aas-Jakobsen
Norway

Additionally, IDEA StatiCa's user-friendly interface and the generation of comprehensive reports enhanced communication with stakeholders, making it easier to convey complex design details and justify the project's complexity and necessity.

inline image in article

In conclusion, IDEA StatiCa was invaluable in this project, enabling efficient design optimizations that led to material and time savings. Its comprehensive analysis capabilities, coupled with enhanced visualization and reporting tools, facilitated a more thorough and accurate understanding of the bridge’s structure, crucial for this large-scale retrofitting project.

About Aas-Jakobsen

Aas-Jakobsen is a leading building and construction consultancy, specializing in civil engineering and employing highly qualified experts in a range of disciplines. We look for contracts involving challenges within a single speciality or spanning multiple disciplines. Our goal is to achieve the best results for our clients, and we do this by maintaining a high level of quality and expertise.

We take on assignments all over Norway, ranging from small and simple assignments to major, complex, and multidisciplinary projects. A multidisciplinary project requires highly qualified experts in all disciplines. As well as employing a wide range of our own specialists, we also work with the most qualified firms in their fields, which means that we can provide experts in almost any field and deliver solutions that encompass the full spectrum of disciplines.

Próbálja ki az IDEA StatiCa-t ingyen

Kezdje el a próbaverziót még ma, és élvezze 14 napig a teljes körű hozzáférést és a szolgáltatásokat ingyenesen.

OTHER CASE STUDIES

The Arch Railway Bridge

Roof structure of the AFAS Stadium

Halle des Saveurs

Aas-Jakobsen

Aas-Jakobsen

Norway
Aas-Jakobsen is a leading building and construction consultancy, specialising in civil engineering and employing highly qualified experts in a range of disciplines. We look for contracts involving challenges within a single speciality or spanning multiple disciplines. Our goal is to achieve the best results for our clients, and we do this by maintaining a high level of quality and expertise. Detail